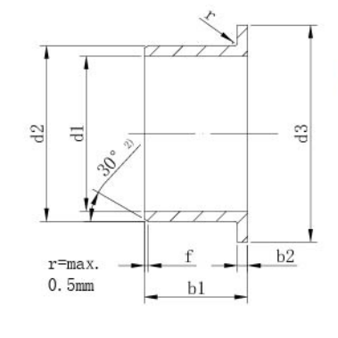
O rolamento flangeado HZ-GFM combina capacidade de carga radial com controle de alinhamento axial, graças ao seu design de flange integrado. Feito de polímeros estabilizados termicamente, ele suporta cargas de choque intermitentes e desalinhamento em ligações automotivas, amortecedores HVAC ou sistemas de manuseio de materiais.
Recursos principais
Projeto do Flange: Evita desvio axial; simplifica a montagem em caixas de material macio.
Material: PA66 ou PEEK reforçado com fibra de vidro para resistência a temperaturas elevadas (até 180°C por curto prazo).
Instalação: Compatível com ferramentas de encaixe por pressão (por exemplo, série PT-1350) para montagem rápida.
Aplicações: Carcaças de bombas, guias de atuadores elétricos e rolos transportadores que exigem estabilidade bidirecional.















