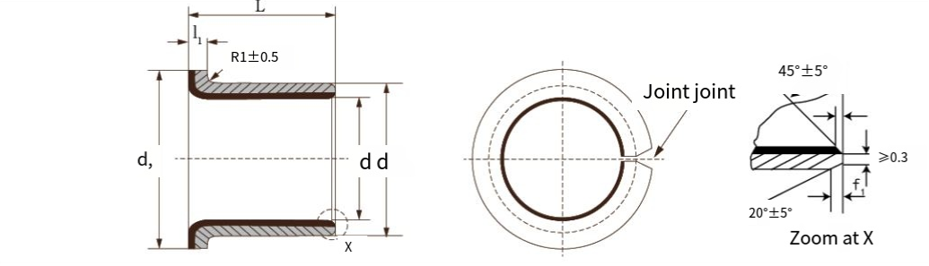
O rolamento autolubrificante de bobina reversa tipo HZ-1/A foi projetado para oferecer durabilidade excepcional e operação de baixa manutenção em ambientes de alto estresse. Projetado para máquinas industriais, sistemas automotivos e equipamentos pesados, este rolamento integra uma estrutura de bobina reversa combinada com lubrificantes sólidos incorporados, garantindo desempenho consistente sem lubrificação externa.
Os principais recursos do HZ-1/A incluem alta capacidade de carga, resistência à corrosão e vida útil prolongada sob temperaturas extremas. Seu design autolubrificante minimiza o atrito e o desgaste, reduzindo o tempo de inatividade e os custos de manutenção. A construção compacta e leve do rolamento o torna adequado para aplicações onde a eficiência de espaço e peso são essenciais.














